Στείλτε μας email

sdepochwater@hotmail.com

Προϊόντα
Μετρητής Νερού Άρδευσης
  • Μετρητής Νερού ΆρδευσηςΜετρητής Νερού Άρδευσης
  • Μετρητής Νερού ΆρδευσηςΜετρητής Νερού Άρδευσης

Μετρητής Νερού Άρδευσης

Χρήση: Όργανο μέτρησης ροής για τη μέτρηση του συνολικού όγκου του νερού που ρέει μέσω του αγωγού.

Προϋποθέσεις παροχής:

▶Μέγεθος:DN50~DN600

▶Υλικό: Κέλυφος από χυτοσίδηρο

▶Βαθμός θερμοκρασίας: T30,T50,T90

▶Κλάση πίεσης:MAP16,MAP10

▶Απώλεια πίεσης:△P63


Μέθοδος εγκατάστασης:

1.Οριζόντια εγκατάσταση.

2. Απαιτείται πρόσθετο φίλτρο νερού.

3.Η είσοδος/έξοδος νερού του μετρητή νερού χρειάζεται ευθύγραμμο τμήμα σωλήνα U10/D5.


Χαρακτηριστικά:

1. Μικρή αντίσταση μετάδοσης, μεγάλη ικανότητα ροής, αντιμπλοκάρισμα και ισχυρή ικανότητα κατά της ρύπανσης.

2. Οριζόντιος ρότορας, ξηρός, μαγνητικός οδηγός ζεύξης.

3. Ο μετρητής υιοθετεί τη σφράγιση κενού, την αντισυμπύκνωση και τον ψεκασμό, και μπορεί να κρατήσει την ανάγνωση καθαρή για μεγάλο χρονικό διάστημα.

4. Η αφαιρούμενη δομή υιοθετείται για την εύκολη εγκατάσταση και συντήρηση

5.Ο μηχανισμός μέτρησης έχει ισχυρή καθολικότητα.

6. Σύμφωνα με τις ανάγκες των πελατών, μπορεί να παρασχεθεί συσκευή απομακρυσμένης μετάδοσης και μετάδοσης (μετάδοση διπλού καλαμιού/αίθουσας).


Τεχνική παράμετρος:

DN (mm) Ροή σειρά Βαθμός μέτρησης Ανώτατο όριο ροή Q4 Κοινός ροή Q3 Οριακή ροή Q2 Ελάχιστο ροή Q1 Ελάχιστο ανάγνωση Ανώτατο όριο ανάγνωση
Q3/Q1 m3/h
LXXG-50 2” R20 (R25) 25 31.25 5 1.25 0.002 999, 999
LXXG-65 2/2" 40 50 8 2 0.002 999, 999
LXXG-80 3” 63 78.75 12.6 3.15 0.002 999, 999
LXXG-100 4” 100 125 20 5 0.002 999, 999
LXXG-125 5” 160 200 32 8 0.002 999, 999
LXXG-150 6” 250 312.5 50 12.5 0.002 999, 999
LXXG-200 8” 400 500 80 20 0.002 999, 999
LXXG-250 10” 630 787.5 126 31.5 0.02 9, 999, 999

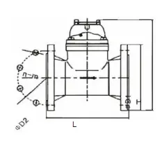
Συνολική διάσταση και βάρος:

Μοντέλο DN Μήκος Υψος Φλάντζα σύνδεσης
mm Εξωτερική φλάντζα διάμετρος φD1 Αριθμός των μπουλόνια σύνδεσης Δ2 Αριθμός των μπουλόνια σύνδεσης
LXXG-50 2” 200 253 165 125 4*Μ16
LXXG-65 2V2" 200 268 185 145 4*Μ16
LXXG-80 3” 225 284 200 160 8*Μ16
LXXG-100 4” 250 295 220 180 8*Μ16
LXXG-125 5” 250 310 250 210 8*Μ16
LXXG-150 6” 300 339 285 240 8*Μ20
LXXG-200 8” 350 382 340 295 8*M20(1,0MPa) 12*M20(1,0MPa)
LXXG-250 10” 450 438 395 405
12*M20(1,0MPa) 12*M24(1,0MPa)

A. Το μέγιστο επιτρεπόμενο σφάλμα μιας χαμηλής περιοχής (Q1≤Q

Β. Όταν η θερμοκρασία του νερού είναι≤30℃, το μέγιστο επιτρεπόμενο σφάλμα στην υψηλή περιοχή (Q2≤Q≤Q4) είναι ± 2% Όταν η θερμοκρασία του νερού είναι >30℃, το μέγιστο επιτρεπόμενο σφάλμα στην υψηλή περιοχή (Q2≤Q≤Q4) είναι ± 3%






Hot Tags: Μετρητής Νερού Άρδευσης
Αποστολή Ερώτησης
Πληροφορίες επαφής
  • Διεύθυνση

    No. 112, Jiefang Road, Lixia District, Jinan City, Shandong Province, Κίνα

  • ΗΛΕΚΤΡΟΝΙΚΗ ΔΙΕΥΘΥΝΣΗ

    sdepochwater@hotmail.com

Είστε έτοιμοι να πάρετε το έργο του συστήματος ύδρευσης στο επόμενο επίπεδο; Στείλτε μια ερώτηση στο Shandong Equipment Equipment Co., Ltd. και λάβετε μια εξατομικευμένη απάντηση από την ομάδα μας. Είμαστε εδώ για να βοηθήσουμε με όλες τις ανάγκες του συστήματος νερού. Ας είμαστε ο αξιόπιστος συνεργάτης σας.
X
Χρησιμοποιούμε cookies για να σας προσφέρουμε καλύτερη εμπειρία περιήγησης, να αναλύσουμε την επισκεψιμότητα του ιστότοπου και να εξατομικεύσουμε το περιεχόμενο. Χρησιμοποιώντας αυτόν τον ιστότοπο, συμφωνείτε με τη χρήση των cookies από εμάς. Πολιτική Απορρήτου
Απορρίπτω Αποδέχομαι